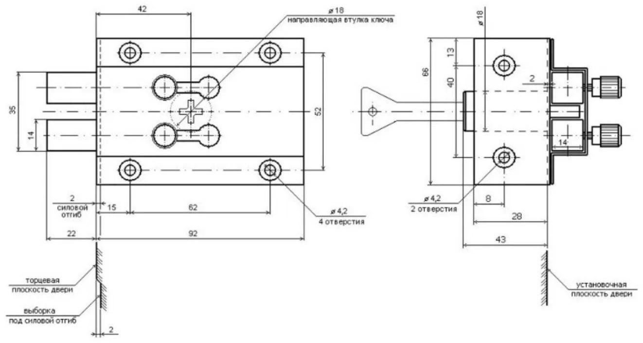
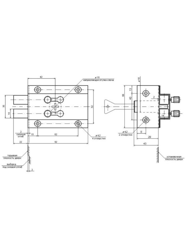
Общие характеристики:
:
Металл
Гарантийный срок, мес.:
12
Количество ригелей:
2
Форма ригеля:
Прямоугольник

В скором времени он отобразится на сайте.
Возможно вы не приобретали этот товар. Отзывы можно оставлять только к тем товарам, которые были куплены.